平凸(PCX)透鏡
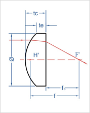
平凸透鏡具有正焦距,是由一個平面和一個凸面球面所組成,平面朝向光源或是聚焦點,凸面朝向所需的焦平面,常使用於校正偏離的光線,或是將平行光線聚焦。裕群光電的平凸透鏡非常適用於單色照明的準直與聚焦應用,若您有平凸透鏡的相關需求,歡迎洽詢裕群光電。
透鏡規格表
| 材料 | BK7、B270、石英、耐熱玻璃、光學玻璃、客戶指定材質 |
| 尺寸 | 2mm~1000mm |
| 曲率半徑 | 依客戶指定 |
| 導角 | 依客戶指定 |
| 鍍膜 | 依客戶指定 |
| Low grade | General grade | High grade | |
| 尺寸公差 | +/-0.2 | 0 | 0 |
| 表面品質S/D | 120-80 | 60-40、80-50 | 10-5、20-10、40-20 |
| 平行度 | 3’ | 1’ | 10’’ |
| 面精度 | 2λ | 1/2λ | 1/10λ |
| 曲率半徑公差 | R/300 | R/500 | R/1000 |
| 中心厚度 | +/-0.1 | +/-0.05mm | +/-0.01 |
| 邊緣厚度 | +/-0.1 | +/-0.05mm | +/-0.01 |
| 有效區域 | 0.85 | 0.9 | 1 |
| 偏心量 | 5' | 3' | 30'' |